Gömme Rezervuar Tamir Hizmetleri

Gömme rezervuar tamir hizmetleriyle su sızıntısı, basma düğmesi arızaları ve diğer sorunlara hızlı ve profesyonel çözümler sunuyoruz. İletişime geçin!

Gömme Rezervuar Sızıntı Sorunları ve Çözümleri

Gömme Rezervuar Sızıntı Sorunları ve Çözümleri Gömme rezervuar konusunda sızıntı sorunları yaşıyorsanız ve çözümüne ilişkin bilgi almak istiyorsanız bizi hemen…

Devamını Oku »

Gömme Rezervuar Tamiri Nasıl Yapılır?

Gömme Rezervuar Tamiri Nasıl Yapılır? Gömme rezervuar tamiri nasıl yapılır konu başlığına uyumlu olarak hazırlanan içeriğimizi gömme rezervuar ile ilgili…

Devamını Oku »

Gömme Klozet Tamiri: Şimdi Arayın!

Gömme Klozet Tamiri Gömme klozet tamiri ile ilgili bilgi almak ve rezervuar sorunları ile ilgili destek taleplerinizi iletmek için bizi…

Devamını Oku »

Gömme Rezervuar İç Takımı: Değişim ve Montaj Rehberi

Gömme Rezervuar İç Takımı Gömme rezervuar iç takımı ile ilgili yaşanan arızalar, değişim talepleriniz ve yenileme ihtiyaçlarınız için bize ulaşabilir,…

Devamını Oku »

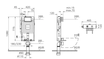
Gömme Rezervuar Montaj Ölçüleri

Gömme Rezervuar Montaj Ölçüleri Gömme rezervuar montaj ölçüleri bir standart ve uygun koşullar gerektirir ve bu koşullar sağlandığı zaman konforlu…

Devamını Oku »

Gömme Rezervuar Su Kaçağı Tamiri: Adım Adım Rehber

Gömme Rezervuar Su Kaçağı Tamiri: Adım Adım Rehber Gömme rezervuar su kaçağı tamiri, hem ev sahipleri hem de profesyonel tesisatçılar…

Devamını Oku »

Bayrampaşa Gömme Rezervuar Tamiri Hizmetleri

Bayrampaşa Gömme Rezervuar Tamiri Hizmetleri Bayrampaşa gömme rezervuar tamiri, modern banyolarda sıklıkla tercih edilen rezervuar sistemlerinin doğru şekilde çalışmasını sağlamak…

Devamını Oku »

Bahçelievler Gömme Rezervuar Tamiri Hizmetleri

Bahçelievler Gömme Rezervuar Tamiri Hizmetleri Bahçelievler gömme rezervuar tamiri, modern banyolarda sıklıkla tercih edilen rezervuar sistemlerinin doğru şekilde çalışmasını sağlamak…

Devamını Oku »

Avcılar Gömme Rezervuar Tamiri Hizmetleri

Avcılar Gömme Rezervuar Tamiri Hizmetleri Avcılar gömme rezervuar tamiri, modern banyolarda sıklıkla tercih edilen rezervuar sistemlerinin doğru şekilde çalışmasını sağlamak…

Devamını Oku »

Başakşehir Gömme Rezervuar Tamiri Hizmetleri

Başakşehir Gömme Rezervuar Tamiri Başakşehir gömme rezervuar tamiri, modern banyolarda sıklıkla tercih edilen rezervuar sistemlerinin doğru şekilde çalışmasını sağlamak için…

Devamını Oku »

Tesisatçı | © 2025 | - Acil Tesisatçı - İstanbul Tesisatçı - Klozet Tamiri - Su Kaçak Tespiti - Su Tesisatçı - Su Tesisat Hizmetleri - Tıkanıklık Açma - Yeni Tesisat Hizmetleri